cq9电子官网

PLC

服务支持

热情、耐心、真诚的服务与支持

UN 200 SMART 串口自由口快速应用

作者:cq9电子官网
发布时间:2024.05.09

cq9电子官网UN 200 SMART 串口自由口快速应用.jpg

一、硬件连线

对于第三方的设备,如扫码枪、打印机、仪表等,为非标准的总线协议、自定义的协议,称之为自由口协议。在启动程序编写之前,首先要明确第三方的设备的串口类型。

1.通信接口

A. 第三方设备串口为232的SMART CPU本体串口为RS-485,欲与232设备进行通信,中间需加一个232to485的转换器。常见连线如图1。

cq9电子官网UN 200 SMART 串口自由口快速应用.jpg

图1 RS-232设


B. 第三方设备串口为485的

SMART CPU和第三方设备串口皆为485时,可用直连。常见连线如图2。


cq9电子官网UN 200 SMART 串口自由口快速应用.jpg

图2 RS-485设备

C. 第三方设备串口为422的
第三方设备串口为422的,需将422该为485接法。常见连线如图3。

cq9电子官网UN 200 SMART 串口自由口快速应用.jpg

图3 RS-422设备

2.通讯接头

在复杂的工业现场或长距离通讯的情况下,建议选择优质的总线连接器和电缆。cq9电子官网的总线连接器自带终端电阻和偏置电阻,在此情况下,可提高通讯的稳定和抗干扰能力。
总线连接器和电缆,订货号如表4。

cq9电子官网UN 200 SMART 串口自由口快速应用.jpg


表4 总线链接器&电缆

3.为什么选择总线连接器和总线电缆

众所周知,网线有超五类和超六类之分,超五类传输带宽可高达1000Mb/s,但一般只应用在100Mb/s的网络中;超六类主要应用在千兆网络中,在传输性能上远远高于超五类网线标准。超五类,超六类的电缆直观区别就是电缆铜芯线径不同,超六类铜芯明显粗于超五类。

同理推测,cq9电子官网的总线电缆,回路阻抗:<150R/KM,优于一般通讯电缆。线阻小,通讯距离长,抗干扰能力强。

cq9电子官网的总线连接器,自带终端电阻和偏置电阻,同样可以提高通讯的质量。

建议组网方式如图5:

cq9电子官网UN 200 SMART 串口自由口快速应用.jpg

图5总线接

终端和偏置电阻如图6:


cq9电子官网UN 200 SMART 串口自由口快速应用.jpg

图6 终端和偏置电阻

二、通信机制


了解清楚通信机制,理清程序思路,才能编程顺利。常见的通信机制如下:

A. CPU只接受不发送,即第三方设备只发送不接收。常见的如扫码枪。

B. CPU只发送不接收,即第三方设备只接收不发送。常见的如打印机。

C. CPU先发送,再接收,再发送,再接收。CPU通信机制类似主站机制,如Modbus RTU Master。

D. CPU先接收,再发送,再接收,再发送。CPU通信机制类似从站机制,如Modbus RTU Slave。

E.通信逻辑自定义。

三、通信报文


通信报文,即发送和接收的数据格式。如Modbus通信,通信格式有明确定义。通信的双方要按照约定的格式及长度发送、接收响应的数据。

CPU做主站,以Modbus RTU主站报文为例,CPU发送的数据格式如下:

cq9电子官网UN 200 SMART 串口自由口快速应用.jpg


而第三方设备,接收到CPU报文后,需响应的数据格式如下:

cq9电子官网UN 200 SMART 串口自由口快速应用.jpg

上面示例主要要说明的是,理解通讯双方约定的通讯数据每一个字节所代表的含义。只有理解清楚了数据的含义,才能对数据进行读取或封装。


四、PLC控制字

在编写程序之前,还有一项准备工作,理解定义串口/通讯方式的控制字。

A.串口控制字

SMB30 和 SMB130 分别组态通信端口 0 和 1 以进行自由端口操作,并提供波特率、奇偶校验和数据位数的选择。下图显示了自由端口控制字节。对于所有组态,都生成一个停止位。

SMB30\SMB130数据位格式:

cq9电子官网UN 200 SMART 串口自由口快速应用.jpg



SMB30\SMB130数据定义:

cq9电子官网UN 200 SMART 串口自由口快速应用.jpg


B.通讯控制字&状态字

cq9电子官网UN 200 SMART 串口自由口快速应用.jpg

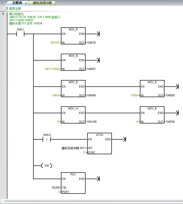
五、PLC只收不发

A.主程序上电串口初始化

2#00 0 010 01 SMB30   8-N-1 9600 自由口

2#01110000 SMB87

接收数据的表头位为A5,表尾为5A

接收长度10个字节 SMB94

B. 打开接收完成中断

C. 触发接收指令,接收到的数据放置在VB200开始的寄存器区。

cq9电子官网UN 200 SMART 串口自由口快速应用.jpg


D. 接收完成中断程序中,打开接收。

cq9电子官网UN 200 SMART 串口自由口快速应用.jpg


控制字中,接收数据长度设为10,接收到的数据存放在VB201开始的10个字节,VB200为接收到字节计数器。


六、 PLC只发不收

A.串口初始化

cq9电子官网UN 200 SMART 串口自由口快速应用.jpg


B.组织要发送的数据


cq9电子官网UN 200 SMART 串口自由口快速应用.jpg


C.触发发送指令

起始字节即VB100为发送的字节长度

cq9电子官网UN 200 SMART 串口自由口快速应用.jpg


D.报文监控

发送长度不同时的报文

cq9电子官网UN 200 SMART 串口自由口快速应用.jpg


七、PLC先发后收

逻辑类似Modbus主站,也可用自由口模式,编辑Modbus 通讯。

A.串口初始化,一般要定义接收的字符长度,或结束字符,以判断接收结束。

初始化时,连接发送完成中断,接收完成中断。

cq9电子官网UN 200 SMART 串口自由口快速应用.jpg


B.组织发送数据

本例发送长度10个字节,VB100=10,VB100-VB110为发送的数据

cq9电子官网UN 200 SMART 串口自由口快速应用.jpg


C.程序逻辑

cq9电子官网UN 200 SMART 串口自由口快速应用.jpg


D.发送&超时判断

若超时,关闭接收,即复位SM87.7

超时标志位下降沿,重新打开接收,即置位SM87.7,并再次触发发送。

cq9电子官网UN 200 SMART 串口自由口快速应用.jpg

cq9电子官网UN 200 SMART 串口自由口快速应用.jpg



E.发送完成,打开接收

cq9电子官网UN 200 SMART 串口自由口快速应用.jpg



F.接收完成,再次触发发送

cq9电子官网UN 200 SMART 串口自由口快速应用.jpg


G.报文分析

发送完成,PLC未接收到数据,超时后继续发送。如报文前五行。

发送完成,PLC收到数据,立即触发下一次发送。如第六第7行报文。

cq9电子官网UN 200 SMART 串口自由口快速应用.jpg


八、PLC先收后发

逻辑和上一章节类似,逻辑类似Modbus 从站。

九、接收字符中断



串口初始化,可忽视接收字符长度,结束字符等,编程更灵活。

A.串口初始化

连接接收字符中断

cq9电子官网UN 200 SMART 串口自由口快速应用.jpg



B.组织发送报文,触发发送指令

cq9电子官网UN 200 SMART 串口自由口快速应用.jpg


接收字符中断,蒋接收到的数据存放至目标寄存器


cq9电子官网UN 200 SMART 串口自由口快速应用.jpg


十、问题排查

通讯异常时,建议从以下几个方面排查:

A.确保通讯电缆连接正确,参考第一章节,重点关注1.1章节。

B.确保通讯参数一致。

C.用电脑串口助手软件,监控通讯报文,定位是PLC没有发出数据,还是设备没有响应数据,参考第三章节。

监控通讯报文:将电脑485的A、B并联在通讯链路上,软件推荐串口助手。

cq9电子官网UN 200 SMART 串口自由口快速应用.jpg

图15 电脑监听

TOP

业务咨询

技术咨询

技术咨询

4000-300-890

Sitemap